Inspired by Mr. Kusonoki, our DIYer Tang decides to do a, err, Kusonoki...
Here's a great upgrade/tweak for all the non-over sampling DACs covering both 1543 and 1545. I have done it to both which will greatly enhance the sonic signature of the already wonderful sounding DAC ñ the grass is greener; the dark is darker etc. you get the point. Believe it or not, digital cables do sound different with different makes/geometry and this upgrade removes this particular variable. The sonic signature remains the same regardless of digital cables being used
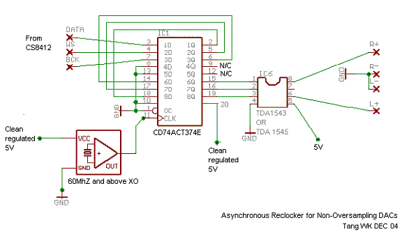
This is the circuitry being employed. A picture speaks a thousand words hence Iíll refrain from the entire BS.

Here are some assembly pictures taken from my 1545 DAC. The left is the DAC and the right is the Reclocker + Flip-Flop chip + its dedicated 5V regulators. You can see the twisted wires of "Blue White Orange" being the BCK,WS and DATA tapped from CS8412 and its reclocked signal being fed back via the twisted wires of "Orange White White".





